
![]() GY型 凸緣聯(lián)軸器
|
![]() GYS型 凸緣聯(lián)軸器
|
![]() GYH型 凸緣聯(lián)軸器
|
|
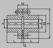
型號
|
公稱轉(zhuǎn)矩 Tn N.m
|
許用轉(zhuǎn)矩(n) r/min
|
軸孔直徑 d
|
軸孔長度 L
|
尺寸 mm
|
轉(zhuǎn)動慣量 kg.m2
|
大重量 kg
|
||||
|
D
|
D1
|
b
|
b1
|
S
|
|||||||
|
GY1
|
25
|
12000
|
12-19
|
27-42
|
80
|
30
|
26
|
42
|
6
|
0.0008
|
1.16
|
|
GYS1
|
|||||||||||
|
GYH1
|
|||||||||||
|
GY2
|
63
|
10000
|
16-25
|
30-62
|
90
|
40
|
28
|
44
|
6
|
0.0015
|
1.72
|
|
GYS2
|
|||||||||||
|
GYH2
|
|||||||||||
|
GY3
|
112
|
9500
|
20-28
|
38-62
|
100
|
45
|
30
|
46
|
6
|
0.0025
|
2.38
|
|
GYS3
|
|||||||||||
|
GYH3
|
|||||||||||
|
GY4
|
224
|
9000
|
25-35
|
44-82
|
105
|
55
|
32
|
48
|
6
|
0.003
|
3.15
|
|
GYS4
|
|||||||||||
|
GYH4
|
|||||||||||
|
GY5
|
400
|
8000
|
30-42
|
60-112
|
120
|
68
|
36
|
52
|
8
|
0.007
|
5.43
|
|
GYS5
|
|||||||||||
|
GYH5
|
|||||||||||
|
GY6
|
900
|
6800
|
38-50
|
60-112
|
140
|
80
|
40
|
56
|
8
|
0.015
|
7.59
|
|
GYS6
|
|||||||||||
|
GYH6
|
|||||||||||
|
GY7
|
1600
|
6000
|
48-63
|
84-142
|
160
|
100
|
40
|
56
|
8
|
0.031
|
13.1
|
|
GYS7
|
|||||||||||
|
GYH7
|
|||||||||||
|
GY8
|
3150
|
4800
|
60-80
|
107-172
|
200
|
130
|
50
|
68
|
10
|
0.103
|
27.5
|
|
GYS8
|
|||||||||||
|
GYH8
|
|||||||||||
|
GY9
|
6300
|
3600
|
75-100
|
107-212
|
260
|
160
|
66
|
84
|
10
|
0.319
|
47.8
|
|
GYS9
|
|||||||||||
|
GYH9
|
|||||||||||
|
GY10
|
10000
|
3200
|
90-125
|
132-212
|
300
|
200
|
72
|
90
|
10
|
0.720
|
82.0
|
|
GYS10
|
|||||||||||
|
GYH10
|
|||||||||||
|
GY11
|
25000
|
2500
|
120-160
|
167-302
|
380
|
260
|
80
|
98
|
10
|
2.278
|
162.2
|
|
GYS11
|
|||||||||||
|
GYH11
|
|||||||||||
|
GY12
|
50000
|
2000
|
150-200
|
242-352
|
460
|
320
|
92
|
112
|
12
|
5.923
|
285.6
|
|
GYS12
|
|||||||||||
|
GYH12
|
|||||||||||
|
GY13
|
100000
|
1600
|
190-250
|
282-410
|
590
|
400
|
110
|
130
|
12
|
19.978
|
611.9
|